Skema Kabel Power Supply Pc

Ciri ciri power supply pada pc atau komputer masih berfungsi dengan baik adalah jika kipas pada power supply berputar maka dapat dikatakan power supply masih berfungsiakan tetapi tidak bisa dijamin masih dalam keadaan yang baik 100.
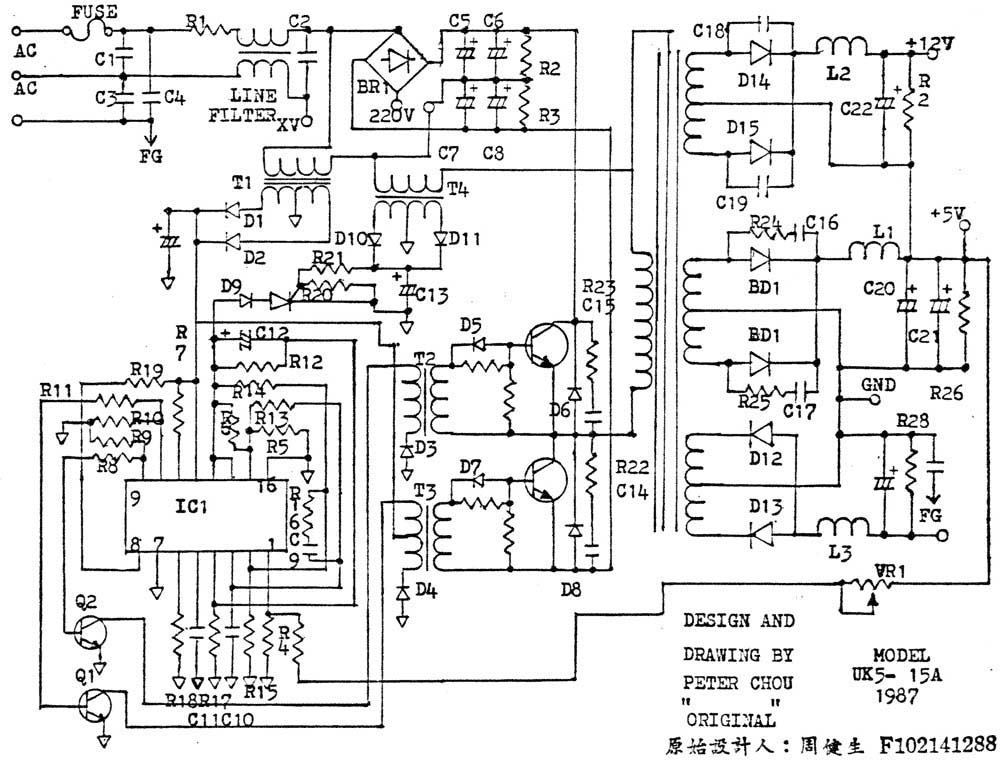
Skema kabel power supply pc. Sebuah power supply adaptor yang bagus memiliki efisiensi tinggi dan memiliki perlindungan proteksi terhadap hubung singkat korsleting dan arus yang tinggi 25 40 ampere dapat anda temukan di toko toko elektronik dengan harga yang bisa dibilang mahal namun dengan memanfaatkan power supply bekas pc yang tidak terpakai dengan catatan power supply tersebut kondisinya masih 80 bisa on. Rangkaian power supply switching 0 25v 10a l4970a august 15th 2020 power supply rangkaian power supply switching ini memiliki tegangan output yang variabel daro 0 vdc hingga 25 vdc. Power supply pengertian fungsi klasifikasi jenis cara kerja perbaikan dan perawatan untuk pembahasan kali ini kami akan mengulas mengenai power supply yang dimana dalam hal ini meliputi pengertian fungsi klasifikasi jenis cara kerja perbaikan dan perawatan nah agar lebih dapat memahami dan dimengerti simak ulasan selengkapnya dibawah ini. Langkah yang terakhir adalah dengan menghubungkan kabel power suplay ke sumber arus listrik ac.